產品介紹
光電探測器是一種基于硅光電管的增益與工作帶寬可調的量子探測器,它的基本原理是使其中的光電管吸收光子產生光電流并在其外電路中產生相應的光電壓輸出。該電探測器能夠用來測量微弱的光強,通過標定,可以極其準確地測出光的強度,從1皮瓦/厘米2 到10毫瓦/厘米2。為了使用方便,該探測器的增益可以分10擋調節,其中,2-7擋,用于交流和直流信號探測,8-11檔,僅用于直流信號探測。對于直流光強測量,最大增益為107V/W。對于交流光強測量,最大帶寬為1MHz。

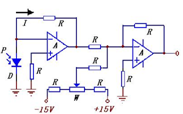
圖1 光電探測器內部結構圖 圖2 光電探測器的基本原理圖
產品特點
采用直流偶合,光電探測器帶有直流偏置電路,可以方便地消除光信號中的直流本地,提高信號增益的靈敏度等
產品應用
冷原子物理、激光光譜、光學頻率標準、光學位置精密測量、角度、表面均勻度、距離的精密測量、光學攝影、分析儀器、醫學成像等領域
技術指標
| 波長范圍 | 400-1100nm |
| 最大輸入光功率 | 2mW |
| 頻率范圍 | 0-1MHz |
| 上升時間 | 1ms |
| 暗態電流噪聲 | -90dBm |
| 直流輸出偏置 | -12V至+12V |
| 工作電壓 | ±15V |
| 接收光面積 | 1.6mm2 |
| 最大增益 | 5*107V/W |
| 輸入方式 | 自由空間 |
| 輸出端子 | BNC |
| 輸出阻抗 | 500W |
| 輸出耦合 | 直流可調 |
| 探測器尺寸 | 75*50*35mm3 |
| 工作溫度 | 15-35℃ |