實驗系統簡介
本實驗為固體激光原理綜合實驗,包含了固體激光工作物質的選擇,諧振腔設計與調試、被動調Q、激光倍頻及倍頻效率測量等實驗內容,學生可以充分地學習固體激光器的全部工作過程,內容涵蓋全面。實驗設備具有充分的開放性,老師可以根據需求拓展成設計性實驗,如激光晶體切割端面相位匹配角測量,激光器諧振腔穩定性研究等。在教學應用的同時還可進行科研實驗研究。
1.1.1固體激光工作物質的吸收譜與發射譜測量
實驗目的
本實驗著重學習吸收譜的基本概念和測量方法,研究不同激光工作物質的吸收譜,從而選擇合適的泵浦源,提高激光工作物質對泵浦光的吸收效率。通過測量激光工作物質的發射譜線,了解不同工作物質發射譜的區別,進而掌握激光的產生過程與基本原理。
實驗內容
? 分別測量Nd:YAG、Yb:YAG和YAG的吸收譜與發射譜;
? 找出Nd3+的發射譜與吸收譜所對應的能級躍遷,了解YAG的作用。


Nd:YAG的吸收譜 Nd:YAG的發射譜
1.1.2固體激光工作物質熒光壽命測量
實驗目的
通過本實驗的學習,讓學生掌握固體激光材料熒光壽命的測量方法及原理,進而學習激光工作物質的熒光壽命在激光產生過程中發揮的作用。
實驗內容
? 測試Nd:YAG的熒光壽命;
? 測試紅寶石的熒光壽命。

Nd:YAG熒光壽命測試圖
1.1.3光學諧振腔設計與裝調實驗
實驗目的
本實驗從激光諧振腔的設計入手,讓學生掌握Matlab在諧振腔設計中的應用,通過計算模擬出不同形式的諧振腔,并研究諧振腔對激光參數的影響。實驗測量腔內損耗及光束質量參數,并與理論計算值對比,使學生充分了解穩腔、非穩腔的區別。
實驗內容
? 采用Matlab設計并計算一套諧振腔(腔型可選雙凹、平凹、平平、平凸等),在給定透鏡參數的情況下,模擬出不同腔長的穩定狀態;
? 根據模擬的腔長,調整相應諧振腔,并測試激光輸出特性,與模擬的激光光束特性對比;
? 進一步了解直腔、V型腔和Z型腔的結構及激光傳輸特性。

Z型腔內光斑半徑變化曲線
1.1.4固體激光原理實驗
實驗目的
本實驗主要通過讓學生自主搭建半導體泵浦固體激光器,使學生充分了解固體激光器的基本結構。通過對諧振腔的優化與激光輸出參數的測量,掌握影響輸出激光效率的各參量,從而更加直觀地了解激光器工作的整個過程。
實驗內容
? 半導體泵浦固體激光器的搭建;
? 激光諧振腔調試及優化。

半導體泵浦固體激光器的P-I特性曲線
1.1.5激光基本特性及參數測量
實驗目的
本實驗通過對激光器的主要參數進行測量,讓學生充分了解激光的基本特性及其與自然光之間的區別。
實驗內容
? 激光光斑直徑與發散角的測量;
? 激光波長與線寬的測量;
? 激光功率與脈沖能量的檢測。

激光光束的M2測試圖
1.1.6固體激光器最佳輸出鏡透過率選取
實驗目的
本實驗讓學生實際裝調Nd:YAG激光器,更換不同透過率的輸出鏡,測試激光的輸出功率的變化,從而讓學生了解固體激光器的裝調過程及影響激光輸出特性的主要物理參數。
實驗內容
? 裝調半導體泵浦Nd:YAG激光器;
? 更換不同透過率的輸出透鏡,測試激光的光光轉換效率。
1.1.7可飽和吸收體調Q實驗
實驗目的
通過實驗觀察被動調Q的過程,讓學生理解可飽和吸收體在調Q過程中的物理機制。在使用不同透過率的調Q晶體時測試脈沖光的能量及脈寬,讓學生直觀理解被動調Q的物理過程。
實驗內容
? 觀察可飽和吸收體將連續光轉變成脈沖光的現象,用脈沖探頭測試脈沖光的頻率和脈寬;
? 更換不同透過率的調Q晶體,測試脈沖光的能量,頻率,脈寬等參數。

被動調Q激光脈寬和頻率的測量
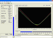
1.1.8激光腔外倍頻實驗
實驗目的
本實驗著重介紹了激光腔外倍頻技術。通過測量基頻光入射角與輸出倍頻光轉化效率的變化關系,讓學生了解倍頻晶體的相位匹配角的概念。
實驗內容
? 腔外倍頻實驗系統搭建;
? 腔外倍頻的相位匹配角測量。

腔外倍頻的相位匹配角測量